

Brand:Tamron
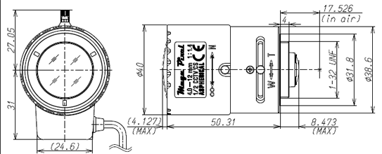
Model:M12VG412
Focal Lenses :4-12MM
M12VG412 Tamron DC Auto Iris C 1/2 CCTV Lens
SPECIFICATIONS
Imager Size 1/2
Mount Type C
Focal Length 4.0 - 12mm
Aperture Range 1.4 - 360
Angle of View
(Horizontal x Vertical) 1/2 Imager Size
6.8mm x 5.1mm Wide 100.5° x 73.4°
Tele 33.4° x 25.1°
Imager Size
6.4mm x 4.8mm Wide 93.9° x 68.8°
Tele 31.4° x 23.6°
1/3 Wide 68.8° x 51.0°
Tele 23.6° x 17.7°
Focusing Range 0.3m - ∞
Operation Focus Manual with Lock
Zoom Manual with Lock
Iris Auto Iris(DC)
Filter Size -
Back Focus(in air) Wide 9.05 - 18.90mm
Operating Voltage Open 3.0V
Close 0.5V
Weight 69g±6g
Operating Temperature -20°C - +60°C
Tel: 13715181445
Mailbox: [email protected]
URL: http://m.howedu.cn
Address:Teli Building, Shuibei 2nd Road, Luohu,Shenzhen, China